客服专线:0769-22800616 18825500688
奴利减速机
直齿系列
PLF
PLE
PLEK
VLF
PLFS
ZPLF
ZPLE
PLFK
PLS
PLX
ZPT
斜齿系列
AF
ALF
AL
ALE
AXF
AGH
ZAF
ZAL
ZAGH
中空旋转平台
ATK
ZAUK
智能动力
QXC
CZSS
AGV-CC
SJX
CS
LDSS
WDSS
LDS
WDS
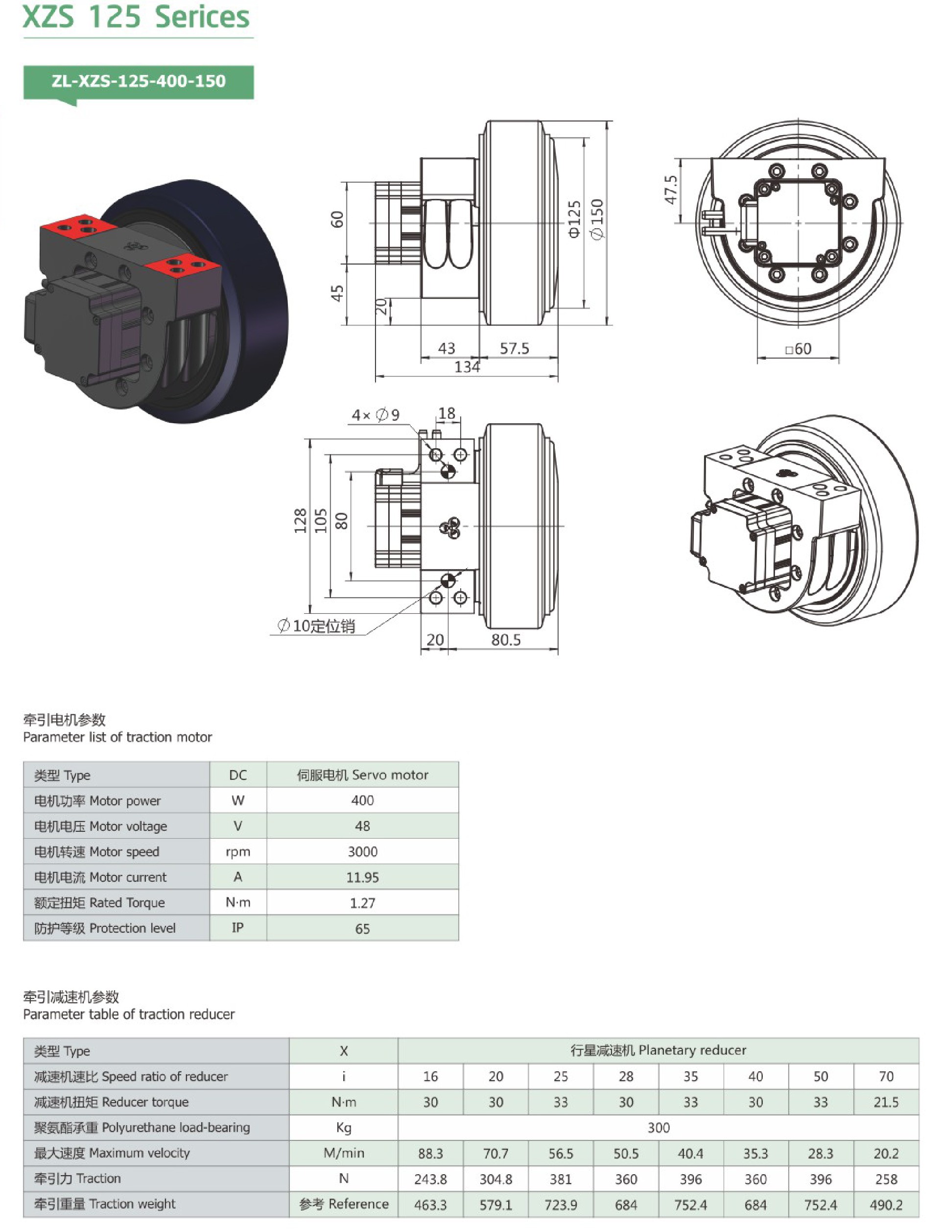
XZS
QDL
联系我们
全国咨询服务热线:
XZS系列奴利伺服减速机XZS95智能动力系统 行走减速机单轮
XZS系列奴利伺服减速机XZS165智能动力系统 行走减速机单轮
XZS系列奴利伺服减速机XZS150智能动力系统 行走减速机单轮